Needle Valves are valves designed for flow control and regulation applications. Some shut-off valves such as Butterfly Valve, Gate Valve are also used for adjustment purposes, but these valves are not suitable for continuous adjustment. The working life of Gate Valves and Butterfly Valves used continuously at high pressure differences and for adjustment purposes will be shortened and damage will occur in a short time. Another feature of regulating valves is the control characteristic.

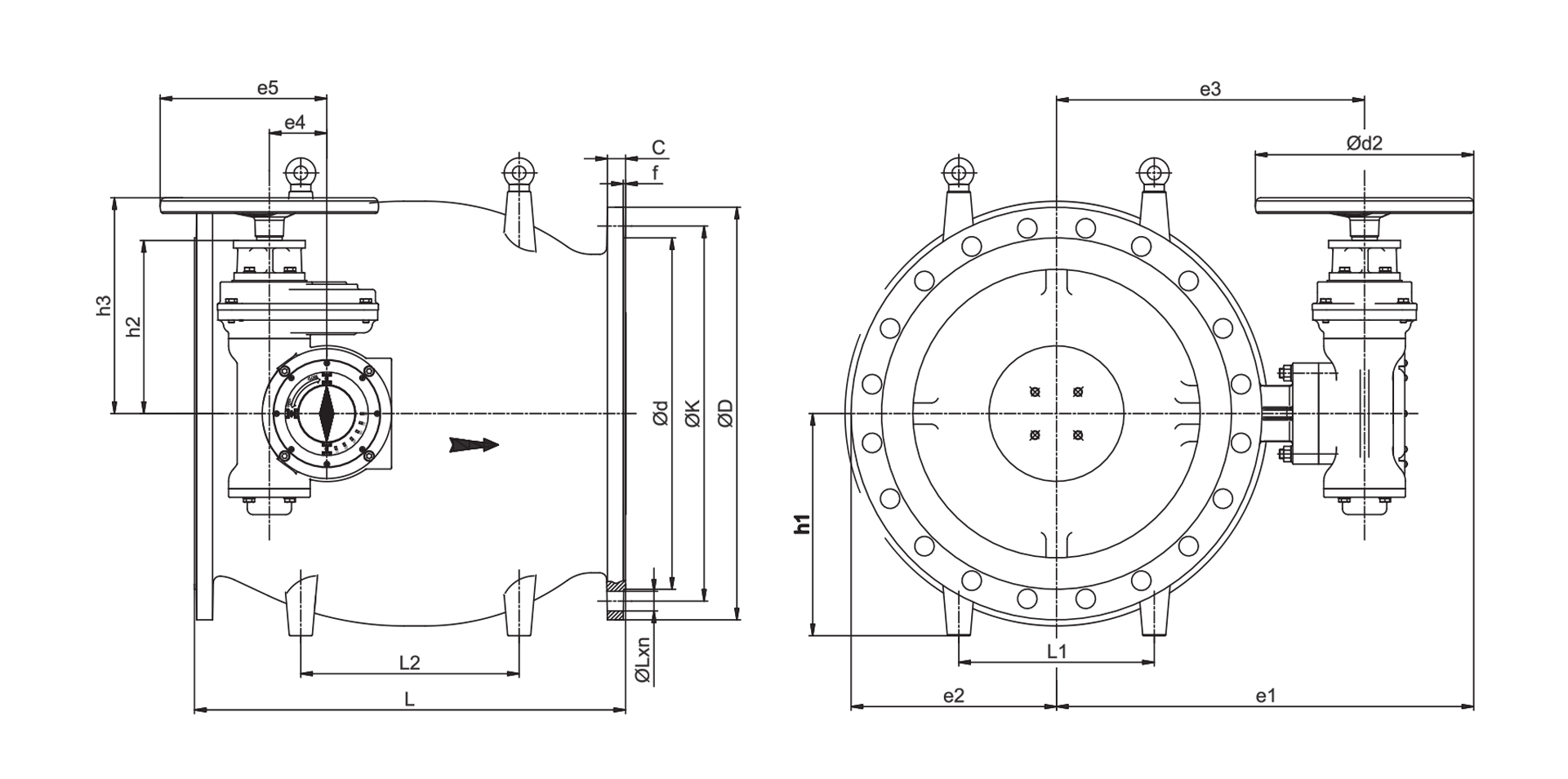
The piston and crank mechanism are located in a droplet-shaped inner body.


The piston is axially mounted in the inner casing and the linear movement of the piston changes the flow cross-section. The piston is controlled by the crank-connector mechanism, which converts the rotational motion of the gearbox and similar drive systems into linear motion.




Counterweight Hydraulic Actuation System

These valves also have a fast opening and closing feature. The hydraulic actuation system is designed according to the application conditions in the pipelines for the most efficient operation of the valve.
ÖZKAN was founded in 1983. Initial products were steam and process valves. Main production line was changed to butterfly valves in later years. Today, ÖZKAN carries on its production with particularly butterfly valves, needle valves, check valves, dismantling joints and air release valves. ÖZKAN, who has assumed the quality as a main principle since its foundation, carries out its activities as a member of Hawle Austria Group since 2011.